SD2140ET-14
14-bit, 25MHz, Dual Channel ADC
Overview & Features
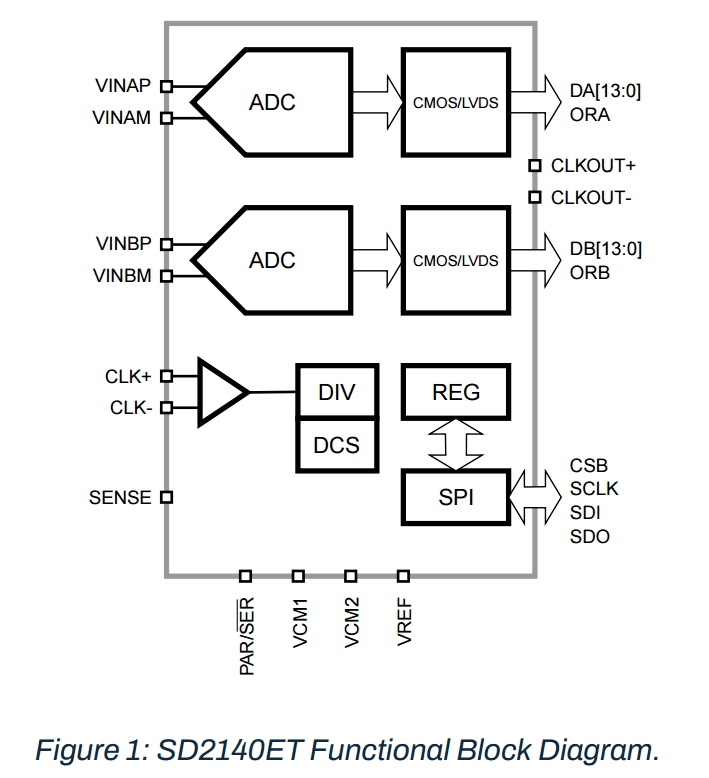
The SD2140ET is a dual-channel, 14-bit, analog-to-digital converter (ADC) supporting sampling rates up to 25MSps. The
SD2140ET supports an extended temperature range of -55°C to 125°C. The device uses a multistage pipeline
architecture to achieve high signal-to-noise ratio (SNR) and linearity, over wide input signal bandwidth. The SD2140ET
can be set to operate using either CMOS or LVDS output interface. Programming for configuration and control is
accomplished using a 4-wire SPI-compatible serial bus. The digital output data can be programmed to be delivered in
offset binary, twos complement format, or gray code.
FEATURES
- Extended temperature range (-55°C to 125°C)
- SNR: 73.1dBFS at fIN = 30.2MHz and fS = 25MSps
- SFDR: 91.0dBc at fIN = 30.2MHz and fS = 25MSps
- -145.0dBFS/Hz input-noise at fIN = 30.2MHz and fS =
25MSps - 1.8V nominal input
- Typical power consumption: 295mW at 25MSps
- Integer 1-to-8 input clock divider (200MHz maximum
input rate) - Sample rates of up to 25MSps
- 1.8V analog supply voltage
- LVDS (ANSI-644 levels) outputs
- Internal ADC voltage reference
- ADC clock duty cycle correction
- Serial port control
- Energy saving power-down modes

Specification
| Product Specifications | |||
|---|---|---|---|
| Resolution | 14-bit | Speed (Msps) | 25 |
| Number of Channels | 2 | SFDR (dBc)@70.2MHz | 86 |
| SNR (dBFS)@70.2MHz | 71.9 | ||
| Drop-in Replacement | Replacement Part # | Plural Price ($) | Replacement Part Price | Package |
|---|---|---|---|---|
| Yes | LTC2140-14 | $ | $ | 64 pins (9x9 package) |
Stock, EVKs & Documentation
No pricing or stock information available for part number: SD2140ET-14
