
SD2184
16-bit, 105MHz, Dual Channel ADC
Overview & Features
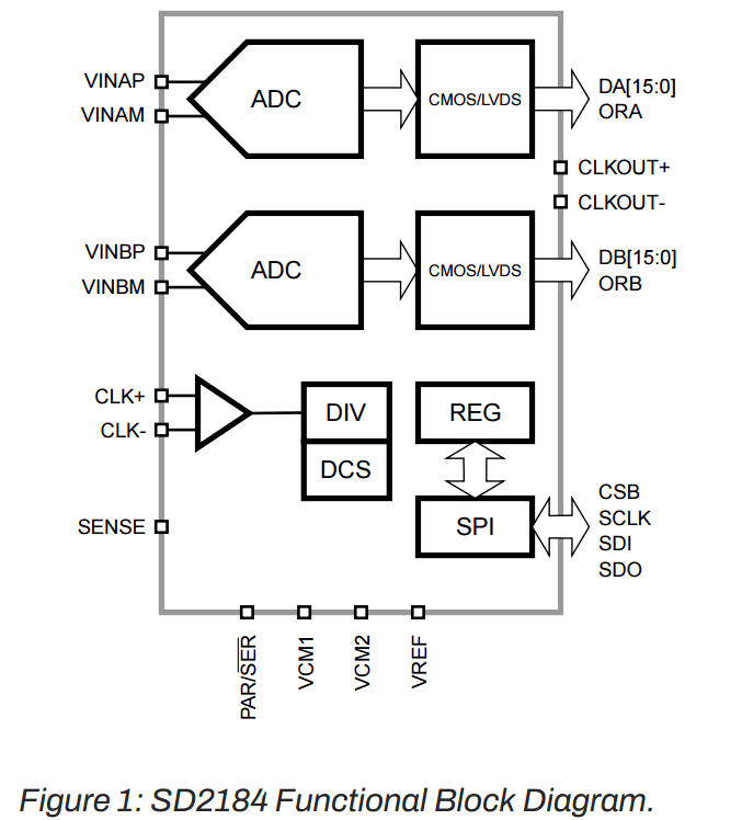
The SD2184 is the dual-channel, 16-bit, analog-to-digital converter (ADC) supporting sampling rates up to 105MSps. The
device uses a multistage pipeline architecture to achieve high signal-to-noise ratio (SNR) and linearity, over wide input
signal bandwidth. The SD2184 can be set to operate using either CMOS or LVDS output interface. Programming for
configuration and control is accomplished using a 4-wire SPI-compatible serial bus. The digital output data can be
programmed to be delivered in offset binary, twos complement format, or gray code.
FEATURES
- SNR: 74.7dBFS at fIN = 70.2MHz and fS = 105MSps
- SFDR: 89.0dBc at fIN = 70.2MHz and fS = 105MSps
- -153.7dBFS/Hz input-noise at fIN = 70.2MHz and fS =
105MSps - 2.0Vp-p nominal input
- Typical power consumption: 380mW at 105MSps
- Integer 1-to-8 input clock divider (840MHz maximum
input rate) - Sample rates of up to 105MSps
- 1.8V analog supply voltage
- LVDS (ANSI-644 levels) outputs
- Internal ADC voltage reference
- ADC clock duty cycle correction
- Serial port control
- Energy saving power-down modes

Specification
| Product Specifications | |||
|---|---|---|---|
| Resolution | 16-bit | Speed (Msps) | 105 |
| Number of Channels | 2 | SFDR (dBc)@70.2MHz | 86.23 |
| SNR (dBFS)@70.2MHz | 74.91 | ||
| Drop-in Replacement | Replacement Part # | Plural Price ($) | Replacement Part Price | Package |
|---|---|---|---|---|
| Yes | LTC2184 | $79.00 | $112.86 | 64 pins (9x9 package) |
Stock, EVKs & Documentation
Error: TrustedParts API returned error code: 403
