
SD9231-80
12-bit, 80MHz, Dual Channel ADC
Overview & Features
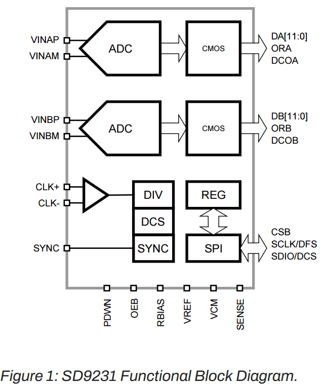
The SD9231 is a dual-channel, 12-bit, analog-to-digital converter (ADC) supporting sampling rates up to 80MSps. The
device uses a multistage pipeline architecture to achieve high signal-to-noise ratio (SNR) and linearity, over wide input
signal bandwidth. The SD9231 uses a CMOS output interface to transfer the data out. Programming for configuration and
control is accomplished using a 3-wire SPI-compatible serial bus. The digital output data can be programmed to be
delivered in offset binary, twos complement format, or gray code.
FEATURES
- SNR: 71.5dBFS at fIN = 30.2MHz and fS = 80MSps
- SFDR: 91.0dBc at fIN = 30.2MHz and fS = 80MSps
- -148.4dBFS/Hz input-noise at fIN = 30.2MHz and fS =
80MSps - 2.0Vp-p nominal input
- Typical power consumption: 340mW at 80MSps
- Integer 1-to-8 input clock divider (640MHz maximum
input rate) - Sample rates of up to 80MSps
- 1.8V analog supply voltage
- Up to 3.3V digital I/O supply voltage
- Internal ADC voltage reference
- ADC clock duty cycle correction
- Serial port control
- Energy saving power-down modes

Specification
| Product Specifications | |||
|---|---|---|---|
| Resolution | 12-bit | Speed (Msps) | 80 |
| Number of Channels | 2 | SFDR (dBc)@70.2MHz | 83.57 |
| SNR (dBFS)@70.2MHz | 71.75 | ||
| Drop-in Replacement | Replacement Part # | Plural Price ($) | Replacement Part Price | Package |
|---|---|---|---|---|
| Yes | AD9231-80 | $23.14 | $33.06 | 64 pins (9x9 package) |
Stock, EVKs & Documentation
Last updated: April 28, 2026 3:43 am
