
SD9643-170
14-bit, 170MHz, Dual Channel ADC
Overview & Features
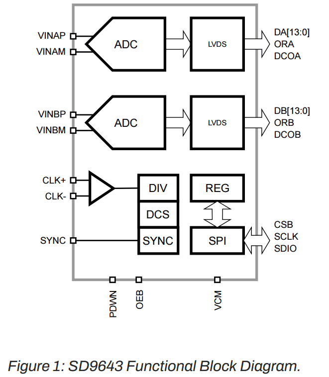
The SD9643 is a dual-channel, 14-bit, analog-to-digital converter (ADC) supporting sampling rates up to 170MSps. The
device uses a multistage pipeline architecture to achieve high signal-to-noise ratio (SNR) and linearity, over wide input
signal bandwidth. The SD9643 uses a LVDS output interface to transfer the data out. Programming for configuration and
control is accomplished using a 3-wire SPI-compatible serial bus. The digital output data can be programmed to be
delivered in offset binary, twos complement format, or gray code.
FEATURES
- SNR: 73.9dBFS at fIN = 70.2MHz and fS = 170MSps
- SFDR: 89.0dBc at fIN = 70.2MHz and fS = 170MSps
- -155.2dBFS/Hz input-noise at fIN = 70.2MHz and fS =
170MSps - 2.0Vp-p nominal input
- Typical power consumption: 495mW at 170MSps
- Integer 1-to-8 input clock divider (1000MHz maximum
input rate) - Sample rates of up to 170MSps
- 1.8V analog supply voltage
- LVDS (ANSI-644 levels) outputs
- Internal ADC voltage reference
- ADC clock duty cycle correction
- Serial port control
- Energy saving power-down modes

Specification
| Product Specifications | |||
|---|---|---|---|
| Resolution | 14-bit | Speed (Msps) | 170 |
| Number of Channels | 2 | SFDR (dBc)@70.2MHz | 83.44 |
| SNR (dBFS)@70.2MHz | 74.13 | ||
| Drop-in Replacement | Replacement Part # | Plural Price ($) | Replacement Part Price | Package |
|---|---|---|---|---|
| Yes | AD9643-170 | $65.16 | $93.08 | 64 pins (9x9 package) |
Stock, EVKs & Documentation
No pricing or stock information available for part number: SD9643-170
