
SD9231-20
12-bit, 20MHz, Dual Channel ADC
Overview & Features
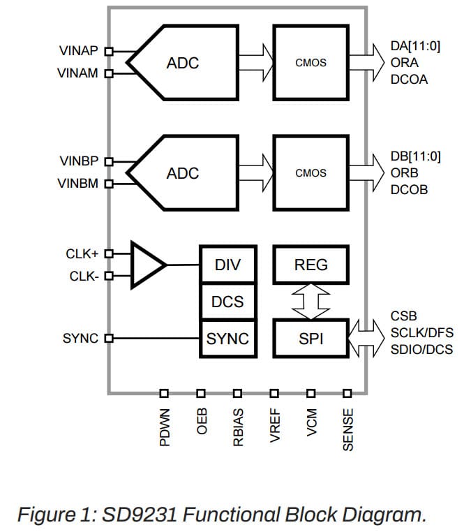
The SD9231 is a dual-channel, 12-bit, analog-to-digital converter (ADC) supporting sampling rates up to 20MSps. The
device uses a multistage pipeline architecture to achieve high signal-to-noise ratio (SNR) and linearity, over wide input
signal bandwidth. The SD9231 uses a CMOS output interface to transfer the data out. Programming for configuration and
control is accomplished using a 3-wire SPI-compatible serial bus. The digital output data can be programmed to be
delivered in offset binary, twos complement format, or gray code.
FEATURES
- SNR: 71.5dBFS at fIN = 30.2MHz and fS = 20MSps
- SFDR: 88.0dBc at fIN = 30.2MHz and fS = 20MSps
- -142.2dBFS/Hz input-noise at fIN = 30.2MHz and fS =
20MSps - 2.0Vp-p nominal input
- Typical power consumption: 290mW at 20MSps
- Integer 1-to-8 input clock divider (160MHz maximum
input rate) - Sample rates of up to 20MSps
- 1.8V analog supply voltage
- Up to 3.3V digital I/O supply voltage
- Internal ADC voltage reference
- ADC clock duty cycle correction
- Serial port control
- Energy saving power-down modes

Specification
| Product Specifications | |||
|---|---|---|---|
| Resolution | 12-bit | Speed (Msps) | 20 |
| Number of Channels | 2 | SFDR (dBc)@70.2MHz | 87.46 |
| SNR (dBFS)@70.2MHz | 71.85 | ||
| Drop-in Replacement | Replacement Part # | Plural Price ($) | Replacement Part Price | Package |
|---|---|---|---|---|
| Yes | AD9231-20 | $9.26 | $13.23 | 64 pins (9x9 package) |
Stock, EVKs & Documentation
Last updated: April 28, 2026 3:45 am
