
SD9613-170
12-bit, 170MHz, Dual Channel ADC
Overview & Features
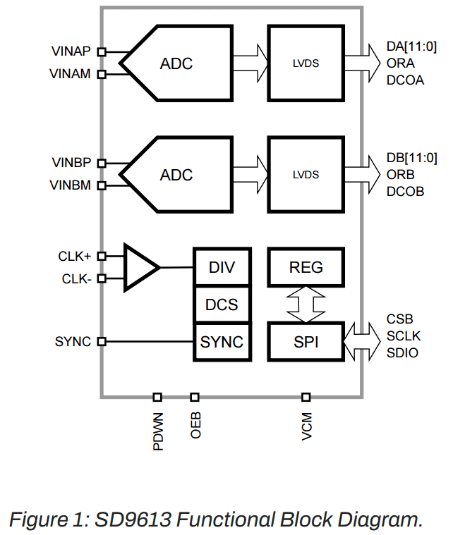
The SD9613 is a dual-channel, 12-bit, analog-to-digital converter (ADC) supporting sampling rates up to 170MSps. The
device uses a multistage pipeline architecture to achieve high signal-to-noise ratio (SNR) and linearity, over wide input
signal bandwidth. The SD9613 uses a LVDS output interface to transfer the data out. Programming for configuration and
control is accomplished using a 3-wire SPI-compatible serial bus. The digital output data can be programmed to be
delivered in offset binary, twos complement format, or gray code.
FEATURES
- SNR: 70.8dBFS at fIN = 70.2MHz and fS = 170MSps
- SFDR: 88.0dBc at fIN = 70.2MHz and fS = 170MSps
- -151.3dBFS/Hz input-noise at fIN = 70.2MHz and fS =
170MSps - 2.0Vp-p nominal input
- Typical power consumption: 495mW at 170MSps
- Integer 1-to-8 input clock divider (1000MHz maximum
input rate) - Sample rates of up to 170MSps
- 1.8V analog supply voltage
- LVDS (ANSI-644 levels) outputs
- Internal ADC voltage reference
- ADC clock duty cycle correction
- Serial port control
- Energy saving power-down modes

Specification
| Product Specifications | |||
|---|---|---|---|
| Resolution | 12-bit | Speed (Msps) | 170 |
| Number of Channels | 2 | SFDR (dBc)@70.2MHz | 83.06 |
| SNR (dBFS)@70.2MHz | 71.27 | ||
| Drop-in Replacement | Replacement Part # | Plural Price ($) | Replacement Part Price | Package |
|---|---|---|---|---|
| Yes | AD9613-170 | $34.60 | $49.43 | 64 pins (9x9 package) |
Stock, EVKs & Documentation
Last updated: April 28, 2026 3:46 am
